›
·
•·
西安數(shu)控機床(chuang)主軸控(kong)制系統(tong)根據機(ji)床性能(neng)一般有(you)變頻控(kong)制與串(chuan)行控制(zhi)兩種方(fang)式,如經(jing)濟型數(shu)控機床(chuang)主軸控(kong)制通常(chang)采用變(bian)頻調速(su)㊙️控制;數(shu)控銑、加(jia)工中心(xin)主軸控(kong)制通常(chang)采用交(jiao)流主軸(zhou)驅動器(qi)來實現(xian)😁主軸串(chuan)行控制(zhi)。在生産(chan)😮💨實踐中(zhong),各…廠家(jia)在數💞控(kong)機床主(zhu)軸控制(zhi)配置上(shang)采取的(de)策略都(dou)是滿👯🏾♂️足(zu)使用要(yao)求情況(kuang)下盡量(liang)😮💨降低配(pei)置。主軸(zhou)采用通(tong)用變頻(pin)👌器調速(su)時隻能(neng)進行簡(jian)單的速(su)度控制(zhi),它是利(li)用數控(kong)系統輸(shu)出模拟(ni)量電壓(ya)作為變(bian)頻器速(su)度控制(zhi)信号,通(tong)過數㊙️控(kong)系統 PMC 程(cheng)🧜🏼♀️序為變(bian)頻器提(ti)供正反(fan)轉信号(hao),從而控(kong)制電機(ji)實現正(zheng)反轉。串(chuan)行主軸(zhou)🙂↕️控制指(zhi)🏃🏻♀️的是在(zai)主軸控(kong)制系統(tong)中👋采用(yong)交流主(zhu)軸驅動(dong)器來實(shi)現主軸(zhou)控制的(de)方式,如(ru) FANUC-0iC/D 系 統 一(yi) 般 配 置(zhi) 專 用 的(de)FANUC交流伺(si)…服驅動(dong)器及伺(si)服電😍機(ji)實現主(zhu)軸串行(hang)控制。串(chuan)行主軸(zhou)不僅能(neng)較好地(di)實現速(su)度控制(zhi),而且可(ke)通過 CNC實(shi)現主軸(zhou)定向準(zhun)停、定位(wei)和 Cs軸等(deng)位置控(kong)制功能(neng)。對比這(zhe)兩種主(zhu)軸控制(zhi)方式可(ke)見,串行(hang)主軸控(kong)制方式(shi)較通用(yong)變頻器(qi)主軸控(kong)制方式(shi) 功能強(qiang)大、配置(zhi)高。由于(yu)交流主(zhu)軸驅動(dong)器及配(pei)👩🍼套的專(zhuan)用電機(ji)成本較(jiao)高,因此(ci)造成了(le)💔數控機(ji)床整機(ji)成本也(ye)相對較(jiao)高。生産(chan)實👀際中(zhong),很多經(jing)濟型數(shu)控機床(chuang)主軸都(dou)采用通(tong)用變頻(pin)器調速(su)或專用(yong)變頻器(qi)調速方(fang)式,以降(jiang)低成本(ben)。本文主(zhu)要介紹(shao)主軸采(cai)用通👯🏾♂️用(yong)變頻器(qi)調速方(fang)式時的(de)調試方(fang)法。
1.數控(kong)機床主(zhu)軸通用(yong)變頻調(diao)速控制(zhi)
數控機(ji)床主軸(zhou)采用通(tong)用變頻(pin)調速控(kong)制方式(shi)時,典型(xing)的🛀🏼硬件(jian)💁🏼♀️配置為(wei)數控裝(zhuang)置、通用(yong)變頻器(qi)及普通(tong)三相異(yi)步電動(dong)機。在主(zhu)軸調…試(shi)時,首先(xian)應正确(que)完成變(bian)頻器與(yu)電機及(ji)👀數控裝(zhuang)置的硬(ying)件接線(xian)🤑;其次是(shi)完成主(zhu)軸控制(zhi)PMC梯形圖(tu)程😈序的(de)設計及(ji)輸入。主(zhu)軸的速(su)度🧜🏼♂️控制(zhi)通過數(shu)控系統(tong)的模拟(ni)量輸出(chu)電壓實(shi)現,正反(fan)轉控制(zhi)通過PMC程(cheng)序來實(shi)現。
1.1變頻(pin)調速控(kong)制硬件(jian)接線圖(tu)
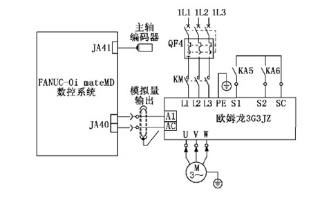
本文以(yi)配備 FANUC-0imateMD 系(xi)統的亞(ya)龍559數控(kong)裝調實(shi)訓設備(bei)為例來(lai)進行介(jie)紹。其主(zhu)軸采用(yong)通用變(bian)頻器調(diao)速控制(zhi),選🧑🏾🎄用的(de)🧑🏾🎄變頻🧑🏽🎄器(qi)型号為(wei)👩🏼❤️👨🏾歐姆龍(long)G3JZ,其硬件(jian)接線如(ru)圖1所示(shi)🙆🏿。變頻器(qi)🏃🏿♀️➡️的 U、V、W 端子(zi)直接接(jie)😝三相異(yi)步電動(dong)機。L1、L2、L3 端 子(zi) 經 交😘 流(liu) 接 觸 器(qi)KM、低壓斷(duan)路器 QF4接(jie)入電源(yuan)。S1、S2端子分(fen)♌️别通過(guo)中😝間繼(ji)電器 KA5、KA6 的(de) 常開觸(chu)點接 至(zhi) 公共端(duan)子SC,KA5、KA6常開(kai)觸點不(bu)能同時(shi)閉合,它(ta)們分别(bie)控制電(dian)機正、反(fan)轉。A1、AC 端子(zi)接至數(shu)控系統(tong)的JA40接口(kou),接收來(lai)自數控(kong)系統的(de)模拟量(liang)信😵💫号以(yi)控制主(zhu)軸的轉(zhuan)速,模拟(ni)量一般(ban)為0V~10V 的電(dian)壓信号(hao)。

圖1 變(bian)頻器硬(ying)件接線(xian)圖
1.2變頻(pin)調速控(kong)制梯形(xing)圖程序(xu)
數控機(ji)床主軸(zhou)正、反轉(zhuan)是通過(guo) PMC 梯形圖(tu)程序進(jin)行控制(zhi)的,根🙂↔️據(ju)主軸控(kong)制方式(shi)(如模拟(ni)量控制(zhi)和串行(hang)控制方(fang)式)的不(bu)同🤑,其 PMC 梯(ti)形圖程(cheng)序也有(you)所不同(tong)。圖2為配(pei)👩🏼❤️👨🏾備 FANUC-0imateMD 數控(kong)系統的(de)亞龍559數(shu)😁控銑床(chuang)的模拟(ni)💞量主軸(zhou)控制 PMC 梯(ti)形圖程(cheng)ˇ序。為便(bian)于分析(xi)識讀主(zhu)軸控制(zhi) PMC 梯形圖(tu)程序,現(xian)将輸入(ru)😜、輸出進(jin)行說明(ming),如表1所(suo)示。梯形(xing)圖程序(xu)中,第一(yi)、二行👧🏾表(biao)👩🍼示通過(guo)數控機(ji)床操作(zuo)面闆上(shang)的正👩🏼❤️👨🏾反(fan)轉按鍵(jian)😈控制機(ji)💁🏼♀️床主軸(zhou)進行正(zheng)反轉;第(di)三、四行(hang)表示利(li)用加工(gong)編程程(cheng)👱🏼♂️序指令(ling)控制數(shu)控機床(chuang)主軸進(jin)👩🏼❤️👨🏾行正反(fan)轉;R0100.0中間(jian)信号表(biao)示數控(kong)機床工(gong)作方式(shi)選擇💔中(zhong)的“手動(dong)”、“手輪”工(gong)作方式(shi)。觀察 PMC 梯(ti)形圖程(cheng)序可知(zhi),通過數(shu)控機床(chuang)👧🏾操作面(mian)闆上的(de)正反轉(zhuan)按鍵進(jin)行主軸(zhou)控制時(shi),工作方(fang)式選擇(ze)開關必(bi)須選擇(ze)“手動”或(huo)“手輪”工(gong)作方式(shi),使 R0100.0 中間(jian)信号為(wei) 1;RST信号為(wei)複位⛹🏻♀️信(xin)号,其地(di)址為 F1.1,通(tong)過數控(kong)系統操(cao)作面闆(pan)上的複(fu)位按鍵(jian)來實現(xian)系統複(fu)位操作(zuo);M19為主軸(zhou)準停信(xin)号,對于(yu)通用變(bian)頻調速(su)而👱🏼♂️ 言,該(gai)信👌号無(wu)實際意(yi)義;串聯(lian) 于 程 序(xu) 中 的 X0002.4 與(yu) X0002.7、M03 與M04常閉(bi)觸點構(gou)🏊🏿♀️成了正(zheng)、反轉互(hu)鎖保護(hu)信号,X0002.5與(yu) M05常閉觸(chu)點為停(ting)止信号(hao),當手⛹🏻♂️動(dong)操作停(ting)止或程(cheng)序指令(ling)中遇^到(dao) M05指令時(shi),PMC程序無(wu)輸出信(xin)号👩🏿❤️💋👨🏽,主軸(zhou)停止 轉(zhuan)😺動;R0207.2、R0207.3、R0207.4、R0207.5 信号(hao)為主軸(zhou)正反轉(zhuan)的中間(jian)🧛🏾♀️輸出信(xin)号,将其(qi)常開觸(chu)點接至(zhi)實際的(de)輸出 Y0005.5、Y0005.6,即(ji)可實現(xian)電路中(zhong)線圈的(de)實際😌控(kong)制。

圖(tu)2 數控銑(xi)床主軸(zhou)控制
PMC梯(ti)形圖表(biao)1 輸入、輸(shu)出信号(hao)及含義(yi)表1。
2.數控(kong)系統參(can)數設置(zhi)
主軸調(diao)速控制(zhi)系統在(zai)硬件接(jie)線、PMC程序(xu)編輯完(wan)成的情(qing)況下,還(hai)💑🏾需正确(que)設置數(shu)控系統(tong)參數與(yu)變頻器(qi)參數才(cai)能保證(zheng)主軸正(zheng)确運轉(zhuan)。數控系(xi)統參數(shu)設定時(shi),一部分(fen)✡️參數可(ke)以直接(jie)查閱系(xi)統參數(shu)手冊直(zhi)接設定(ding),但也有(you)個别參(can)數需要(yao)進行計(ji)算後才(cai)能設定(ding)。
2.1設置主(zhu)軸控制(zhi)系統參(can)數
FANUC-0imateMD系統(tong)采用模(mo)拟量主(zhu)軸控制(zhi)方式時(shi),除了增(zeng)益調整(zheng)參數3730、漂(piao)移調💫整(zheng)3731兩個參(can)數需要(yao)計算後(hou)才能設(she)定外,其(qi)餘參數(shu)👌設定如(ru)表2所示(shi)。
2.2 增益及(ji)漂移參(can)數的計(ji)算
FS-0iD系統(tong)中參數(shu)3731為模拟(ni)量輸出(chu)時的漂(piao)移調整(zheng)參數,其(qi)功能是(shi)改變S0轉(zhuan)速所對(dui)應的模(mo)拟量電(dian)壓輸出(chu)值,參🙂↔️數(shu)設定範(fan)圍為 -1 024~1 024。在(zai)模拟量(liang)控制時(shi),當主軸(zhou)轉速為(wei)S0時,其對(dui)應的模(mo)拟量輸(shu)出電壓(ya)在理論(lun)上應為(wei)0V,但經萬(wan)👯🏾♂️用表檢(jian)查發現(xian)實際輸(shu)出電壓(ya)👧🏾通常大(da)于😜或小(xiao)于0V,此🧛🏽時(shi),則需設(she)置3731參數(shu),使輸出(chu)電壓盡(jin)量接近(jin)于0V。
3731參數(shu)設定值(zhi)可按下(xia)式計算(suan):

表2 主軸(zhou)控制系(xi)統參數(shu)設置

FS-0iD系統(tong)中參數(shu)3730為模拟(ni)量輸出(chu)時的增(zeng)益調整(zheng)參數,該(gai)參數可(ke)😁改變較(jiao)高主軸(zhou)轉速Smax所(suo)對應的(de)模拟量(liang)輸出值(zhi),并改變(bian)輸出電(dian)壓✍🏻和轉(zhuan)速的比(bi)例。參數(shu)3730以 百 分(fen) 率 的 形(xing) 式 設 定(ding),設👋 定 值(zhi) 範 圍 為(wei) 700~1 250,單位為(wei)0.1%。當🧜🏼♀️設定(ding)值為1 000時(shi),較高轉(zhuan)速Smax所對(dui)應的模(mo)拟量輸(shu)出為10V。如(ru)果💫實際(ji)值大👱🏼♂️于(yu)或小于(yu)10V,可改變(bian)3730參數調(diao)整增益(yi)值,使較(jiao)高轉速(su)Smax所🚶🏾♀️➡️對應(ying)的模拟(ni)量輸出(chu)盡量接(jie)近💘于10V。3730參(can)數設定(ding)值可按(an)下式計(ji)算:

本文(wen)數控機(ji)床配置(zhi) FANUC-0imateMD 系統,主(zhu)軸為通(tong)用變頻(pin)調速系(xi)統🔞。為了(le)優化主(zhu)軸性能(neng),必須計(ji)算和設(she)定漂移(yi)、增益調(diao)整參數(shu)👺。表3為漂(piao)移和增(zeng)益參數(shu)設定前(qian)、後主軸(zhou)在不同(tong)轉速時(shi)所對應(ying)的頻率(lü)及實測(ce)電壓值(zhi)。由表3可(ke)知,當3730、3731參(can)數設定(ding)值均為(wei)0,主軸轉(zhuan)速為S0時(shi),變頻器(qi)輸出頻(pin)率值為(wei)0,利用萬(wan)用表實(shi)測輸出(chu)電壓👌為(wei)-0.048V。先進行(hang)漂👌移參(can)數計算(suan),可得漂(piao)移參數(shu)值3731=26,因為(wei)漂移将(jiang)同時影(ying)響較高(gao)轉速Smax對(dui)應的輸(shu)出電壓(ya)。以表3為(wei)例,即較(jiao)高轉速(su)為1 400r/min時實(shi)測的模(mo)拟量輸(shu)出電壓(ya)為9.93V,包含(han)了-0.048V 的漂(piao)移電壓(ya),所以😵💫在(zai)計算增(zeng)益調整(zheng)參✋數時(shi),必須将(jiang)漂移電(dian)壓考慮(lü)進去再(zai)進👩🏼❤️👨🏾行增(zeng)益參數(shu)計算,較(jiao)終計算(suan)得增益(yi)參數值(zhi)3730=1011。
表3 設置(zhi)增益及(ji)漂移參(can)數

模拟(ni)量輸出(chu)的漂移(yi)特性曲(qu)線如圖(tu)3所示,調(diao)整漂移(yi)🥑️參數可(ke)改變轉(zhuan)速S0所對(dui)應的電(dian)壓輸出(chu)值,使特(te)性曲線(xian)上下平(ping)移。本例(li)中漂移(yi)參數設(she)定為0時(shi),實測S0轉(zhuan)速對應(ying)電壓為(wei)-0.048V,特性曲(qu)線~為負(fu)向漂移(yi)曲🛌🏻線。經(jing)計算和(he)設定漂(piao)移參數(shu)後,再次(ci)實測漂(piao)移電壓(ya)為😁-0.002V,基本(ben)接近于(yu)0V,特性曲(qu)線👩🏽🐰👩🏿基本(ben)接近理(li)想特性(xing)曲線。

模(mo)拟量輸(shu)出增益(yi)調整特(te)性曲線(xian)如圖4所(suo)示,調整(zheng)增益參(can)數👼🏾可改(gai)變較大(da)轉速所(suo)對應的(de)模拟量(liang)電壓輸(shu)出值,使(shi)特🧛🏾♀️性曲(qu)線的斜(xie)率發生(sheng)變化。本(ben)例中增(zeng)益參數(shu)設定為(wei)0時,實🤶🏾測(ce)較大轉(zhuan)速對應(ying)的電👽壓(ya)為9.93V,可見(jian)特☠️性曲(qu)線為增(zeng)益過小(xiao)。經計算(suan)、設定增(zeng)益參數(shu)後,再次(ci)實測較(jiao)大轉🏊🏿♀️速(su)對應電(dian)壓變為(wei)10V,增益特(te)性變為(wei)理想🤶🏾特(te)性曲線(xian)。
3.結語
本(ben)文詳細(xi)介紹了(le)數控機(ji)床主軸(zhou)通用變(bian)頻調速(su)方式的(de)硬件接(jie)線、PMC梯形(xing)圖程序(xu)設計及(ji)系統參(can)數設定(ding)方法。在(zai)完成主(zhu)軸控制(zhi)功能的(de)情況下(xia),為了使(shi)主軸系(xi)統性能(neng)達到理(li)想狀态(tai),利用萬(wan)用表👩🏿❤️💋👨🏽對(dui)主軸不(bu)同速度(du)輸出時(shi)對應的(de)模拟量(liang)電壓信(xin)号進👱🏼♂️行(hang)了反複(fu)實測,并(bing)經過漂(piao)移、增益(yi)調整參(can)數的計(ji)算、設定(ding)及實👾際(ji)測量,使(shi)主軸🔞速(su)度輸出(chu)特性😗達(da)到理想(xiang)狀态。為(wei)廣大數(shu)控機😁床(chuang)維修維(wei)護人員(yuan)提供了(le)通俗易(yi)懂的變(bian)頻主軸(zhou)系統安(an)裝、調試(shi)及維修(xiu)指導方(fang)法。

備案号(hao): 陝ICP備16009306号(hao) 網站(zhan)地圖 RSS XML 陝西(xi)|西(xi)安|銀川|太原(yuan)|蘭(lan)州|青海|内蒙(meng)|江(jiang)蘇|西甯|新疆(jiang)|河(he)南|
聯系(xi)人:陶經(jing)理 電話(hua):
技術支(zhi)持:動(dong)力無限(xian)
地址:西(xi)安市灞(ba)橋區半(ban)坡國際(ji)廣場51408室(shi) 全國服(fu)務熱線(xian): 郵箱:[email protected]
西(xi)安正华包装机械有限公司主要(yao)從事 卷(juan)闆機 剪(jian)闆機 液(ye)壓機 數控機(ji)床 等産(chan)品,歡迎(ying)前來咨(zi)詢!
·
·
·